Автомобили с проблемной антикоррозийной защитой и инструкция по замене ремня ГРМ на Ладе Гранта

Топ-5 автомобилей, подверженных коррозии

Некоторые модели автомобилей, к сожалению, демонстрируют слабую стойкость к ржавчине. Владельцы часто сталкиваются с первыми признаками коррозии уже в течение первых двух лет активной эксплуатации. В этот список входят:

  • Лада Гранта — бюджетный седан, известный уязвимостью кузова;
  • УАЗ Патриот — внедорожник, у которого очаги ржавчины могут появляться особенно быстро;
  • Renault Logan и Sandero — популярные модели, также требующие внимания к защите кузова;
  • Škoda Yeti — несмотря на общее качество, может иметь проблемные зоны;
  • Mazda 6 — японский седан, у отдельных выпусков которого отмечалась склонность к коррозии.

____________________________________________________

Руководство по замене ремня ГРМ на Ладе Гранта

Одной из ключевых процедур технического обслуживания для двигателей 11183, 11186 и 21116 является замена ремня газораспределительного механизма (ГРМ). Вот пошаговая инструкция.

Подготовка и демонтаж старого ремня

  1. Установите автомобиль на подъемник, затяните стояночный тормоз и отключите зажигание. Для безопасности отсоедините минусовую клемму от аккумуляторной батареи.
  2. С помощью головки на 8 открутите пять болтов со стопорными шайбами и снимите правый брызговик колесной арки.
  3. Отверткой удалите заглушку смотрового окна на картере сцепления.
  4. Ослабьте и снимите приводной ремень вспомогательных агрегатов (генератора, помпы и т.д.).
  5. Включите четвертую передачу и открутите болт крепления демпфера коленчатого вала. Снимите демпфер со шайбой, после чего верните болт на место и переведите рычаг КПП в нейтральное положение.
  6. Снимите пластиковую защитную крышку (или крышки) привода ГРМ.
  7. Ключом проворачивайте коленчатый вал по часовой стрелке, чтобы совместить метку на маховике с нулевой отметкой на шкале. Одновременно с этим:
    — Метка на зубчатом шкиве коленвала должна совпасть с отливом-меткой на корпусе масляного насоса.
    — Метка на шкиве распределительного вала должна совпасть с отливом-меткой на задней крышке привода ГРМ.

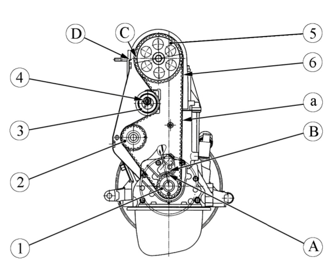
На схеме обозначены ключевые элементы:

  1. Шкив коленчатого вала
  2. Шкив водяного насоса
  3. Натяжной ролик
  4. Гайка фиксации ролика (для механического натяжителя)
  5. Шкив распределительного вала
  6. Ремень привода ГРМ
  7. Метки для правильной установки (А, Б, С, Д)

Процесс снятия ремня зависит от типа двигателя:

  • На двигателе 11183 с механическим натяжителем: отверните гайку (4) и поверните натяжной ролик (3) по часовой стрелке, чтобы ослабить ремень.
  • На двигателях 11186 и 21116 с автоматическим натяжителем: ослабьте (отверните на 2-3 оборота) болт крепления самого натяжителя. Также обратите внимание на дистанционную шайбу на шкиве коленвала — она снимается вместе со старым ремнем.

Установка нового ремня ГРМ

После снятия старого ремня можно приступать к монтажу нового. Важно строго соблюдать совмещение меток, описанное в пункте 7. Наденьте новый ремень на шкивы в последовательности, указанной в руководстве, и обеспечьте правильное натяжение.

Интересное еще здесь: Новости.

Мир автомобилей.